Review of electrical design

Discussion in 'Electrical Systems' started by chowdan, Feb 21, 2019.

  1. chowdan
    Joined: Jul 2008
    Posts: 91
    Likes: 2, Points: 8, Legacy Rep: 10
    Location: Seattle WA

    chowdan 1980 PAC41 Liveaboard

    Hi there all,

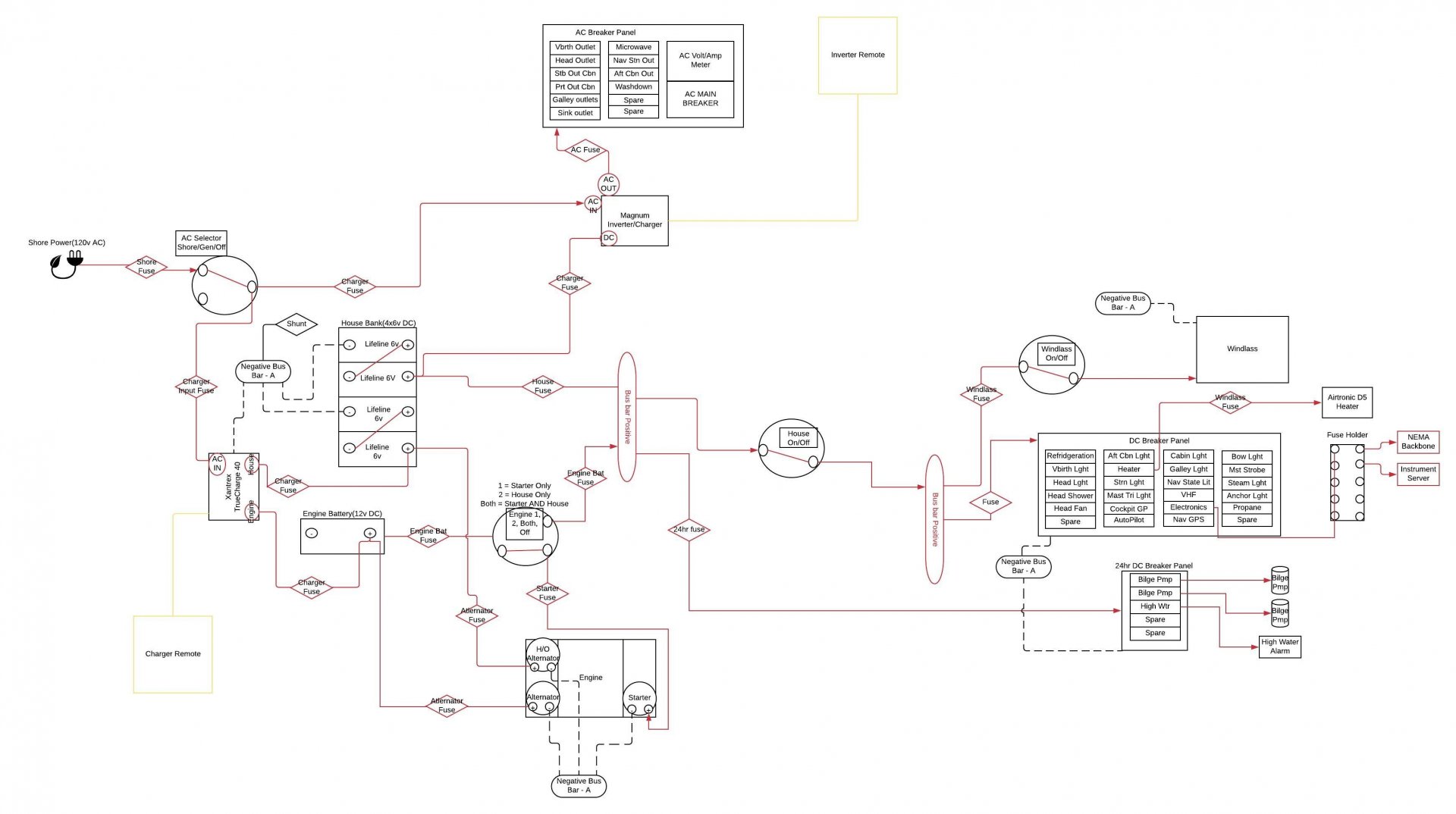
    I am in the process of re-designing my electrical system. Would love some insights from others and give input.

    This design is purely DC positive side of things as I haven't added the negative or the AC side of things.

    Since I have dual alternators, is there a way to have them wired so they automatically determine where to dump power?

    Another question regarding the inverter/chargers - would it be wise to wire the charger section directly to the battery bank, or to a bus bar that connects to both house and starter bank so that during shore power, it will charge the batteries as well?
     

    Attached Files:

  2. gonzo
    Joined: Aug 2002
    Posts: 15,187
    Likes: 923, Points: 123, Legacy Rep: 2031
    Location: Milwaukee, WI

    gonzo Senior Member

    What is the reason for the dual voltage 12 and 24?
     
  3. missinginaction
    Joined: Aug 2007
    Posts: 1,001
    Likes: 200, Points: 63, Legacy Rep: 512
    Location: New York

    missinginaction Senior Member

    Good observation Gonzo. It's confusing me the way he shows his battery bank wiring. Must be a mistake in the diagram? Chowdan, regarding the question on inverter or charger wiring.....in your diagram, you're showing a separate inverter and charger. You'll want to read the instructions on the components. Both the Truecharge 40 and the inverter should be wired directly to the battery or battery bank. There are three outputs on a Truecharge 40, it's designed for this. The inverter is wired directly to the house bank as well. A safe inverter installation will incorporate an emergency shut off between the battery bank and the inverter as well as a class-T fuse of an appropriate size for the inverter you're using. All connections to your batteries should incorporate MRBF's (Marine rated battery fuses), which protects the inverter/charger wiring from overheating if you ever have a malfunction. You don't need a fuse on your starter connection according to the ABYC rules. Blue Sea Systems makes nice fuse holders.

    Terminal Fuse Blocks - Blue Sea Systems https://www.bluesea.com/products/category/16/72/Fuse_Blocks/Terminal_Fuse_Blocks
    Class T Fuse Blocks - Blue Sea Systems https://www.bluesea.com/products/category/16/73/Fuse_Blocks/Class_T_Fuse_Blocks
     
  4. chowdan
    Joined: Jul 2008
    Posts: 91
    Likes: 2, Points: 8, Legacy Rep: 10
    Location: Seattle WA

    chowdan 1980 PAC41 Liveaboard

    Good catch Gonzo, they are 6v lifeline batteries, not 12v. I was looking at 12v batteries at the time of creating the diagram and totally blanked.

    @missinginaction I will go through the diagram and update it based on the installation recommendations of the TrueCharge and the Magnum MS2812 Inverter/Charger
     
  5. fallguy
    Joined: Dec 2016
    Posts: 4,456
    Likes: 782, Points: 123, Legacy Rep: 10
    Location: usa

    fallguy Senior Member

    So, my boat I am separating into three systems; two fully separate.

    The house will get tied to shore power, but the alternators and outboards are going to run helm station stuff. There are two outboards and they will only be tied for the purpose of start/charge should one battery get too low; I hope. I have not started that part, but done some light reading.

    This offers us lots of redundancy. So if a house battery needs to be used; so be it.

    And then I will have solar and use a solar controller, etc.

    Tying them all together seems foolish to me and overly complex.

    Consider for a moment the times you would use autopilot, for one example, or fishfinders, mfd, livewell pumps, running lights, etc.

    I see little benefit in pulling power for those from the house. Some of them I want on ignition relay so they only run with engine key forward.

    Anyhow, thanks for the post, what software did you build the schematic from?
     
  6. fallguy
    Joined: Dec 2016
    Posts: 4,456
    Likes: 782, Points: 123, Legacy Rep: 10
    Location: usa

    fallguy Senior Member

    How does the first bus work to have two 12v leads going to it? Isn't that 24v there then?

    caveat: I bombed out of electrical engineering in '86-weeded out:(
     
  7. gonzo
    Joined: Aug 2002
    Posts: 15,187
    Likes: 923, Points: 123, Legacy Rep: 2031
    Location: Milwaukee, WI

    gonzo Senior Member

    It would be more clear for reading the diagram if the house batteries were aligned.
     
  8. chowdan
    Joined: Jul 2008
    Posts: 91
    Likes: 2, Points: 8, Legacy Rep: 10
    Location: Seattle WA

    chowdan 1980 PAC41 Liveaboard

    Sorry for the delay. Work cropped up on me, the wife was out of town so I was able to make a mess of the boat and therefore am nearly done with my new headliner!

    Heres an updated version of my diagram. Still under review, and things are getting worked through slowly(other things have taken priority for the next couple weeks). I've also attached a photo of the headliner :)
     

    Attached Files:

  9. chowdan
    Joined: Jul 2008
    Posts: 91
    Likes: 2, Points: 8, Legacy Rep: 10
    Location: Seattle WA

    chowdan 1980 PAC41 Liveaboard

    Interesting idea. How many batteries/banks are you going to be running? It seems like separating out systems will create more redundancy but overall will create a more complex system.

    I used LucidCharts for my schematic diagram :) I have an enterprise account due to my company using it for IT work.
     
  10. fallguy
    Joined: Dec 2016
    Posts: 4,456
    Likes: 782, Points: 123, Legacy Rep: 10
    Location: usa

    fallguy Senior Member

    Three battery banks. Sort of, but really just because two engines. So my two cat hulls get their own start/deep batts and they will be linked only for charging one off the other if requred.

    And the the house.

    My engines will not be tied to the house batteries. That said. I may be able to take the house down on battery if I had a starter battery failure.

    For me, I want helm operations isolated from house operations.
     
  11. tpenfield
    Joined: Dec 2016
    Posts: 233
    Likes: 19, Points: 18, Legacy Rep: 10
    Location: Cape Cod, MA

    tpenfield Senior Member

    My comments . . .

    1) do you really need 2 separate charging sources? Maybe 1 charging source with a selector switch would be simpler?

    2) run the windlass power feed straight from the battery, not routing through the house fuse or the house main switch. Also the windlass should have a solenoid feed that can come off of the the DC Breaker panel. Not sure you really need/want the windlass switch that is shown. The solenoid for up/off/down should do the trick.
     

  12. chowdan
    Joined: Jul 2008
    Posts: 91
    Likes: 2, Points: 8, Legacy Rep: 10
    Location: Seattle WA

    chowdan 1980 PAC41 Liveaboard

    I like that idea of reducing chargers. My inverter is a charger as well, so maybe I'll look further into just using that. I agree that it will make it a bit simpler.

    As for #2, I can see how running it directly off the bank(on it's own fuse not house fuse) is wise. In the event the fuse blows, it wouldnt shut down 100% of my DC side, which could be a disaster. I figured having the selector switch on the windlass means I could guarantee that no accidental button press would activate the windlass
     
Loading...
Forum posts represent the experience, opinion, and view of individual users. Boat Design Net does not necessarily endorse nor share the view of each individual post.
When making potentially dangerous or financial decisions, always employ and consult appropriate professionals. Your circumstances or experience may be different.